Мастерская рукастых. Электроника.

Максим Феликсович

Почетный Форумчанин
Регистрация
19.04.11
Сообщения
3.059
Реакции
6.303
Баллы
308
Город
Комсомольск
Что означает 40 Ампер?
Ну, заявлено что высокотоковые, с током разряда до 40-а ампер. Там у них выбор по ёмкости и амперажу большой.
По опыту эксплуатации собранной батареи, прошлым летом - самые положительные впечатления.
Пока ремонтировал телегу на лодочной, весь день проработал с одним этим акком. Болгаркой и шуриком ДеВольт. Родные акки уже бы 2 раза менял, а эта самосборка прям радовала. И радует.
 

Таргет27

Почетный Форумчанин
Регистрация
16.11.10
Сообщения
1.963
Реакции
2.200
Баллы
308
Город
Хабаровск
Ну, заявлено что высокотоковые, с током разряда до 40-а ампер. Там у них выбор по ёмкости и амперажу большой.
По опыту эксплуатации собранной батареи, прошлым летом - самые положительные впечатления.
Пока ремонтировал телегу на лодочной, весь день проработал с одним этим акком. Болгаркой и шуриком ДеВольт. Родные акки уже бы 2 раза менял, а эта самосборка прям радовала. И радует.
Согласен, сам самосборным на 6 Ампер собранных на Литокала пользуюсь уже больше трех лет. Полет нормальный.
 

Максим Феликсович

Почетный Форумчанин
Регистрация
19.04.11
Сообщения
3.059
Реакции
6.303
Баллы
308
Город
Комсомольск
Да, кстати. Второй раз ведь получил уже эти акки, так вот, пришли быстро оба раза, дня за 3.
 

Таргет27

Почетный Форумчанин
Регистрация
16.11.10
Сообщения
1.963
Реакции
2.200
Баллы
308
Город
Хабаровск

Максим Феликсович

Почетный Форумчанин
Регистрация
19.04.11
Сообщения
3.059
Реакции
6.303
Баллы
308
Город
Комсомольск
А какие платы BMS используете?
Завтра уже гляну дома, сегодня на суточном дежурстве.
Один акк прогнался по циклу разряда, стенд показал ёмкость реальную 2463 мА/ч - очень хорошо, при заявленных 2550.
Разряжал до заданных 3-х вольт. Можно регулировать, с шагом 0,1 вольта.

IMG_20260213_125536.jpg
 

Михайлыч

Почетный Форумчанин
Регистрация
07.09.21
Сообщения
1.169
Реакции
1.687
Баллы
308
Город
Богородское
Ионисторы параллельно аккумулятору. Аккумулятор был дохловатый, в 2018 году купленный с машиной. По хорошему надо было менять. Решил попробовать. С сентября работает. Крутит бодро сразу. Этого и хотел добиться, чтобы начальный, самый большой ток частично на себя взяли ионисторы.
 

Вложения

  • 20260210_172757.jpg
    20260210_172757.jpg
    197,1 КБ · Просмотры: 19

Михайлыч

Почетный Форумчанин
Регистрация
07.09.21
Сообщения
1.169
Реакции
1.687
Баллы
308
Город
Богородское
У меня такие голубенькие не заработали. Тоже написано 40 А. Но видимо, попал на подделку. Пила пилит секунд 20-30, останавливается. Индикатор на батарее показывает 0. За минуту напряжение поднимается, можно еще 20 секунд пилить.
Тестером, похожим как на фото, гонял. Внутреннее сопротивление показывает меньше (что должно соответствовать большому отдаваемому току), чем у родных аккумуляторов, емкость также 2300-2400 мА-час. Надо бы разобраться, может, там один - два косячат, да заменить.
 

Максим Феликсович

Почетный Форумчанин
Регистрация
19.04.11
Сообщения
3.059
Реакции
6.303
Баллы
308
Город
Комсомольск
Ионисторы параллельно аккумулятору. Аккумулятор был дохловатый, в 2018 году купленный с машиной. По хорошему надо было менять. Решил попробовать. С сентября работает. Крутит бодро сразу. Этого и хотел добиться, чтобы начальный, самый большой ток частично на себя взяли ионисторы.
Отлично, Михалыч! 👍
Пила пилит секунд 20-30, останавливается. Индикатор на батарее показывает 0. За минуту напряжение поднимается, можно еще 20 секунд пилить.
Плата BMS может вырубать...
 

Максим Феликсович

Почетный Форумчанин
Регистрация
19.04.11
Сообщения
3.059
Реакции
6.303
Баллы
308
Город
Комсомольск
Плата BMS может вырубать...
А может и сама движка жрёт как не в себя, и защита срабатывает. Помнишь, я в электроинструментах описывал? Ща найду, перепост сделаю...
Нашёл. Перепост с темы про Электроинструменты.
---------------------------------------------------------------------------------------
Лежат у меня на препарации парочка таких. да вот они

WhatsApp Image 2025-08-19 at 11.54.47 (1).jpeg



Сразу говорю, что эти с коллекторными движками, серии 550, на валу шестерёнка 14 зубьев.
Началось на первой с того что кнопка прогорела. Поставил танковый тумблер, там на фото видно. Макитка не сдалась и стала дымиться мотором, после работы 5-7 минут. Офицер который её купил принёс её мне на органы, а сам - сам, купил точно такую же. Та радостно начала дымить почти сразу. Тогда он испросил совета и получил ответ покупать бесколлекторную аппарату.
Препарация показала следующее, вызвавшее у меня восторг. У первой ток холостого хода 10 Ампер, у второго 20бля Ампер. Тоись совсем холостого хода, снятые с основания. Фига се пробнички!
Дале по аккумуляторам. На первой вскрытие показало что там акки 1200 мА/ч, общая ёмкость 2400 мА/ч. У второго всего один ряд акков в ячейках, 5 вместо 10, по 1500 мА/ч. И один из аккумов не выдержал такой прожорливости моторчика и сплавил ключ на плате контроллера.

WhatsApp Image 2025-08-19 at 11.54.47.jpeg



Ну а я нашёл на Озоне движок бесколлекторный в размерениях 550-го, заказал жду. Придёт поставлю в один корпус и будет у меня пилка. для ногтей.

https://www.ozon.ru/product/besshch...bev-550-go-tipa-dlya-mini-pil-4-6-2039628705/

ЗЫ - ежели кто не врубается в електрике - 10, 20 Ампер - это овердохуя для таких моторчиков. Максимум они должны жрать Ампер на холостом...
--------------------------------------------------------------------------------------------
Получил безщёточный моторчик.
Бум пробовать совокупить...

WhatsApp Image 2025-09-02 at 14.10.04.jpeg


Собрал. Двиг встал как родной. Места внутри для блока управления не хватило, будет жить на свежем воздухе.
Крутится го-о-ораздо бодрее. Такие дела...

WhatsApp Image 2025-09-03 at 09.44.17.jpeg



WhatsApp Image 2025-09-03 at 09.52.01.jpeg


 
Последнее редактирование:

Михайлыч

Почетный Форумчанин
Регистрация
07.09.21
Сообщения
1.169
Реакции
1.687
Баллы
308
Город
Богородское
Двигатель бесколлекторный. С покупки, я писал в теме про электроинструменты, на родных аккумуляторах отпилил 13 резов на чурке диаметром 20 см. То есть, нормально работало. После третьей зарядки батарея молча умерла. Оставил на неделю полностью заряженной, за неделю разрядилась. Были подозрения на плату BMS, даже заказал, пришла пара штук. Но пришли и аккумуляторы. Я пересобрал батарею, плату решил не менять, посмотреть, будет ли так же разряжать. Не разряжает, оставил. Но и пилить не хочет.
Пока она (пила) не нужна. Попозже займусь. За мысль про BMS спасибо, может, и рано я подозрения с нее снял.
 

olegg

Почетный Форумчанин
Регистрация
11.05.12
Сообщения
22.793
Реакции
20.075
Баллы
308
Город
Хабаровск
Страшные вещи пишете. Прям - жестокие. Беспощадные.
"Вы не люди, господа. Вы - звери" (С).
 

Classic

Новичок
Регистрация
24.05.12
Сообщения
170
Реакции
49
Баллы
8
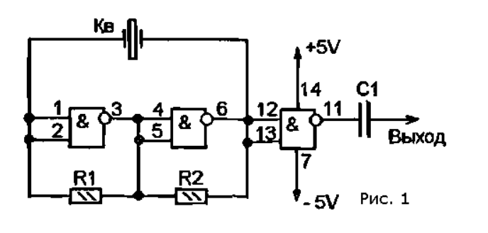
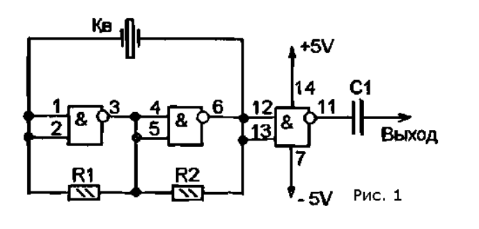
кто как проверяет исправность кварцевых резонаторов?
 

Максим Феликсович

Почетный Форумчанин
Регистрация
19.04.11
Сообщения
3.059
Реакции
6.303
Баллы
308
Город
Комсомольск
кто как проверяет исправность кварцевых резонаторов?
На ЗЛК когда работал, подобную схему спаяли на К155ЛА3 и частотометром замеряли на выходе рабочую частоту.

ла3.PNG


Вот ещё альтернативный способ в статье описан, да и схема оттуда.
 

Максим Феликсович

Почетный Форумчанин
Регистрация
19.04.11
Сообщения
3.059
Реакции
6.303
Баллы
308
Город
Комсомольск

Максим Феликсович

Почетный Форумчанин
Регистрация
19.04.11
Сообщения
3.059
Реакции
6.303
Баллы
308
Город
Комсомольск
Тестирование акков подходит к завершению.
Исключительная стабильность поразила. Внутреннее сопротивление элементов 17-18 мОм, что говорит о неплохой способности токовой нагрузки. Ёмкости практически соответствуют заявленной.
Ещё дополучил парочку разрядников, скомпоную всё в чемоданчике, со своим блоком питания - будет такой стендик для тестирования-тренировок.

IMG_20260213_194747.jpg
 
Последнее редактирование:

Classic

Новичок
Регистрация
24.05.12
Сообщения
170
Реакции
49
Баллы
8
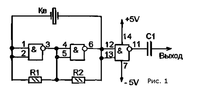
На ЗЛК когда работал, подобную схему спаяли на К155ЛА3 и частотометром замеряли на выходе рабочую частоту.

Посмотреть вложение 435835

Вот ещё альтернативный способ в статье описан, да и схема оттуда.
а на 555 не прокатит?
 

Максим Феликсович

Почетный Форумчанин
Регистрация
19.04.11
Сообщения
3.059
Реакции
6.303
Баллы
308
Город
Комсомольск
Последнее редактирование:

olegg

Почетный Форумчанин
Регистрация
11.05.12
Сообщения
22.793
Реакции
20.075
Баллы
308
Город
Хабаровск

Пользователи, просматривающие эту тему

Сейчас на форуме нет ни одного пользователя.
Верх