Где взять девайс чтоб автозапуск на ПЛМ замастырить ?

Дмитрий-27

Почетный Форумчанин
Регистрация
14.01.11
Сообщения
5.940
Реакции
4.401
Баллы
308
Город
Хабаровск
Ага, отпишусь.
 

Сергей Хребтов

Администратор Портала
Команда форума
Регистрация
13.11.10
Сообщения
9.586
Реакции
31.107
Баллы
308
Город
Хабаровск
черный - масса.
 

Дмитрий-27

Почетный Форумчанин
Регистрация
14.01.11
Сообщения
5.940
Реакции
4.401
Баллы
308
Город
Хабаровск
"Будте любезны !"
Лёш, у меня на 50-ке с генератора наружу выходит только два зелёных. Тем не менее я уверен, что чёрный у тебя - это масса. У меня все чёрные на массе.
Да и Серёга подтверждает...
 

Multik

Почетный Форумчанин
Регистрация
16.11.10
Сообщения
5.547
Реакции
3.255
Баллы
308
Лёш, у меня на 50-ке с генератора наружу выходит только два зелёных. Тем не менее я уверен, что чёрный у тебя - это масса. У меня все чёрные на массе.
Да и Серёга подтверждает...
Т.е ее надо на массу прикрутить обязательно или пусть болтается ?
 

Multik

Почетный Форумчанин
Регистрация
16.11.10
Сообщения
5.547
Реакции
3.255
Баллы
308

Прикрутил. Мотор не заводится. Открутил - мотор заводится. Советчики аднако

Выявился еще такой баг : на полном газу мотор работает секунд 20 потом глохнет. Дрочился несколько дней, пока не отсоеденил акуму. На среднем и малом газу работает устойчиво. В чем трабл может быть ?
 

Дмитрий-27

Почетный Форумчанин
Регистрация
14.01.11
Сообщения
5.940
Реакции
4.401
Баллы
308
Город
Хабаровск
на полном газу мотор работает секунд 20 потом глохнет. Дрочился несколько дней, пока не отсоеденил акуму. На среднем и малом газу работает устойчиво.
А когда акуму отсоединил - и на полном стало нормально?
 

Дмитрий-27

Почетный Форумчанин
Регистрация
14.01.11
Сообщения
5.940
Реакции
4.401
Баллы
308
Город
Хабаровск
Прикрутил. Мотор не заводится. Открутил - мотор заводится.
Чёта у тебя не в порядке там...
Значить вкрыл колпак и узрел там 3 провода, с генераторной катушки (я так понял)
Этот пучок точно из гены, не из выпрямителя? и куда ты зелёные прицепил?
 

Сергей Хребтов

Администратор Портала
Команда форума
Регистрация
13.11.10
Сообщения
9.586
Реакции
31.107
Баллы
308
Город
Хабаровск
что-то неправильно соединено, тем более через 20 сек. Прозванивать нужно.
 

Smex

Почетный Форумчанин
Регистрация
17.05.11
Сообщения
1.909
Реакции
995
Баллы
308
Город
Петергоф
Screenshot_2015-06-17-19-42-39.png

Схема 30ки
 

Дмитрий-27

Почетный Форумчанин
Регистрация
14.01.11
Сообщения
5.940
Реакции
4.401
Баллы
308
Город
Хабаровск
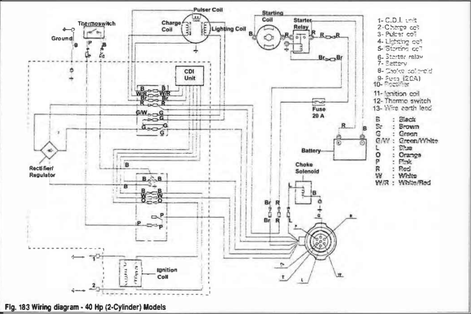
У Лёхи 40Х.
 

Smex

Почетный Форумчанин
Регистрация
17.05.11
Сообщения
1.909
Реакции
995
Баллы
308
Город
Петергоф
Цепляешь массу -не заводится. Какая то обмотка шьет на корпус, наверно
 

Multik

Почетный Форумчанин
Регистрация
16.11.10
Сообщения
5.547
Реакции
3.255
Баллы
308
А когда акуму отсоединил - и на полном стало нормально?
Да, отсоединил и стало нормально. Раньше такого не было, ездил все заряжалось а тут бац - пипец не едет. Щас 3 мотора одинаковых, один ваще новый, муха не сидела, вскрою на выходных
 

Smex

Почетный Форумчанин
Регистрация
17.05.11
Сообщения
1.909
Реакции
995
Баллы
308
Город
Петергоф

Multik

Почетный Форумчанин
Регистрация
16.11.10
Сообщения
5.547
Реакции
3.255
Баллы
308
Чёта у тебя не в порядке там...

Этот пучок точно из гены, не из выпрямителя? и куда ты зелёные прицепил?
Этот пучек идет из под маховика. Зеленые прицепил на выпрямитель, купленый на мотолодке (все там берут)
 

Multik

Почетный Форумчанин
Регистрация
16.11.10
Сообщения
5.547
Реакции
3.255
Баллы
308
Дык чо ? В чем неисправность :
1 почему на малых работает мотор с акумой а на больших оборотах отрубатся ?
2 почему чорный провод на массу посаженый не позволяет мотору заводится ?
 

Пользователи, просматривающие эту тему

Сейчас на форуме нет ни одного пользователя.
Верх