gng
Почетный Форумчанин
- Регистрация
- 23.04.13
- Сообщения
- 7.633
- Реакции
- 11.873
- Баллы
- 308
- Город
- Амурск
Ты у железнодорожников поспрошай.Дырявые в лагере, - сам знаешь кто.
Ты у железнодорожников поспрошай.Дырявые в лагере, - сам знаешь кто.
УжосДырявые в лагере, - сам знаешь кто.

Думаешь в ЖД-отделах кадров зэко-бум уже начался?Ты у железнодорожников поспрошай.
Где же вы нахватались такогоДва века учись!
Два века живи!![]()

Думаешь в ЖД-отделах кадров зэко-бум уже начался?
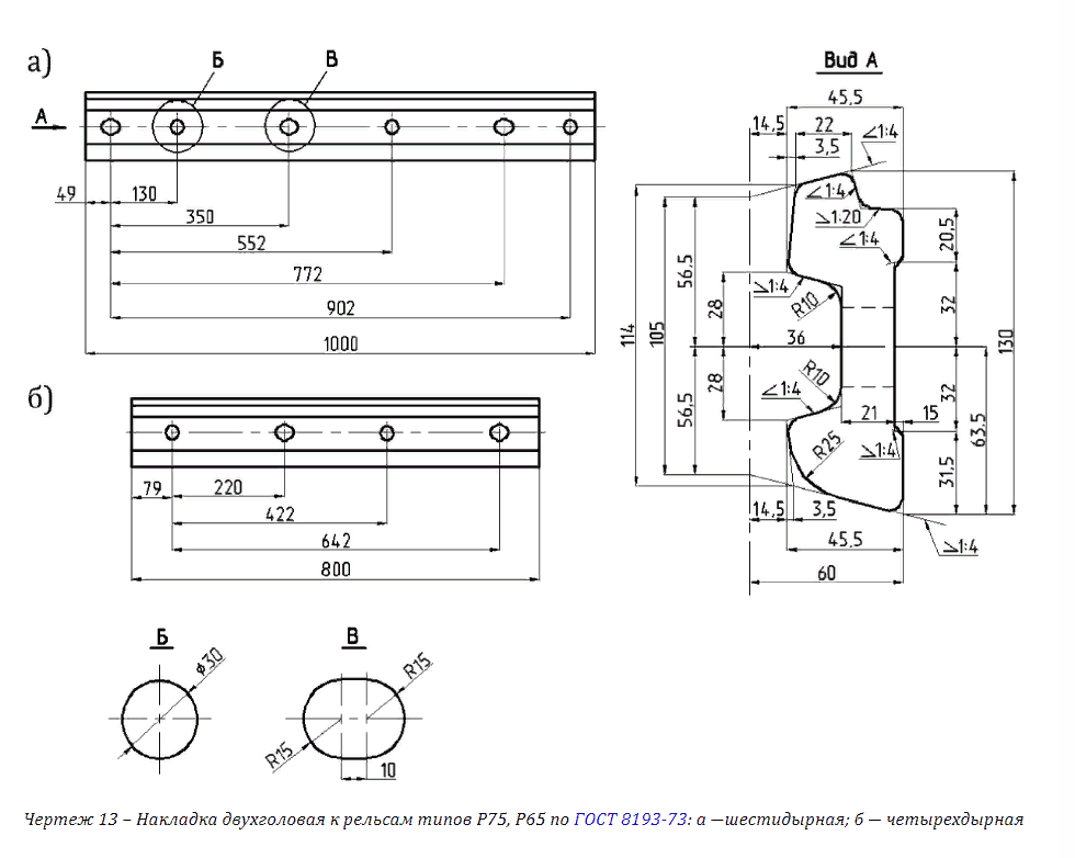
Что глазки пучим? Вот такие альбомы (ВСП) выпускает РЖД.
Ну ничего, у нас в КБ ОГМ КнААПО пришел после КнАГТУ готовый инженер (2004 год). Тот галтели на переходных диаметрах валов выпуклыми рисовал, в виде волдыря. ))) Слово "чертил" не могу выговорить, ибо - це, батенька - художник., а не инженер.Что глазки пучим? Вот такие альбомы (ВСП) выпускает РЖД.
Для чего импотенту патент? Отпустили с миром.Тоисть: патент вы челу зажилили?
Нормально. Ещё бы какую нибудь конструкцию быстро сборно/разборную с алюминиевых труб или стеклопластиковой арматуры сделать, чтобы за ветками не бегать.
Это самиииии. Не дети.Нормально. Ещё бы какую нибудь конструкцию быстро сборно/разборную с алюминиевых труб или стеклопластиковой арматуры сделать, чтобы за ветками не бегать.
Как-то для ходовой многовато...Для ходовой рыбалки.
Вес 15-16 кг.

Чеши, Качайся. Хиляк.Как-то для ходовой многовато...![]()
Так и Тундра не нужна. Сел в корыто, натянул парус, взял правильный галс и вперед рыбачить. )))